


| 單元 | 液位計參數 | ||||||
| 防爆 |
P 標準型(非防爆型) I 隔爆型(Exd II BT4 Gb) |
||||||
| 天線形式/材料 |
B 喇叭天線Φ76mm/不銹鋼304 C 喇叭天線Φ96mm/不銹鋼304 D 喇叭天線Φ123mm/不銹鋼304 |
||||||
| 連接過程/材料 |
N 支架安裝 C 法蘭DN50 PN16C 不銹鋼 D 法蘭DN80 PN16C 不銹鋼 E 法蘭DN100 PN16C 不銹鋼 F 法蘭DN150 PN16C 不銹鋼 H 法蘭DN200 PN16C 不銹鋼 K 法蘭DN250 PN16C 不銹鋼 Y 特殊定制 |
![]() ![]() |
|||||
| 密封/過程溫度 |
V 普通密封/(-40~150)℃ K 高溫密封/(-40~250)℃ T高溫密封/(-60~450)℃ |
||||||
| 電子單元 |
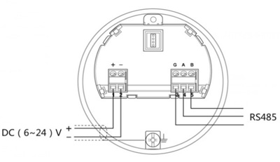
3 (4~20)mA/24VDC/HART兩線制 4 (4~20)mA/220VAC /四線制 5 RS485/Modbus |
||||||
| 外殼/防護等級 |
L 鋁/IP67 G不銹鋼304/IP67 |
||||||
| 電纜進線 |
M M20*1.5 N 1/2NPT |
||||||
| 特殊約定 | Y 特殊定制 | ||||||


友情鏈接: 財產保全擔保 |